قفل باب الخزانة الصناعيةهو مكون الحماية الرئيسي لخزانة التوزيع، وخزانة الاتصالات، وصندوق التحكم وغيرها من المعدات، والتي ترتبط مباشرة بسلامة المكونات الكهربائية الداخلية والتشغيل المستقر للنظام.
من أجل تلبية المتطلبات المتنوعة لوقت التسليم والمواصفات للمشاريع المختلفة، تمتلك شركتنا دائمًا خمسة أنواع من الأقفال شائعة الاستخدام في المخزون --قفل شريط طويل, قفل اللوحة, قفل التحكم بالقضيب, قفل المقبض,قفل اللسان الدوار. وفي الوقت نفسه، نحن ندعم أي قفل غير قياسي مخصص وفقًا للرسومات أو العينات، وهو مناسب تمامًا لجميع أنواع صناديق التوزيع المعدنية.
يعد القفل المسطح أحد أكثر أنواع أقفال أبواب الخزانات الصناعية شيوعًا، وهو جميل وسهل الصيانة. أطلقت شركتنا قفل الطائرة من سلسلة AB301، AB302، AB303، AB402، AB403، في القوة الهيكلية وأداء الحماية وشعور التشغيل للتصميم المتباين، يمكن أن تلبي المواصفات المختلفة لصندوق التوزيع ومتطلبات تركيب خزانة التحكم.
| أبعاد | رقم المنتج | |||||||
| L1 | L2 | L3 | ب1 | ب2 | طلاء الكروم الرمادي | طلاء رذاذ رمادي | مسحوق أسود مطلي | الوزن (ز) |
| 147 | 117 | 72 | 33 | 26.5 | AB301-1-1.2 | AB301-1-1.8 | AB301 | 370 |
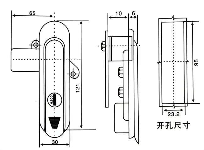
| 120.5 | 95.5 | 65 | 30 | 23.5 | AB301-2-1.2 | AB301-2-1.8 | AB302 | 290 |
| 87.5 | 62.5 | 65 | 28.5 | 23.5 | AB301-3-1.2 | AB301-3-1.8 | AB303 | 215 |
المادة الرئيسية: سبائك الزنك.
المعالجة السطحية: الكروم اللامع، غير اللامع، الأسود.
الوظيفة والاستخدام: تحقيق فتح الباب الأيسر والأيمن، سهل الاستخدام، مع وظيفة الختم ومقاومة للماء.
المادة الرئيسية: سبائك الزنك.
المعالجة السطحية: الكروم اللامع، غير اللامع، الأسود.
الوظيفة والاستخدام: تحقيق فتح الباب الأيسر والأيمن، سهل الاستخدام، مع وظيفة الختم ومقاومة للماء.
المواد: جسم قفل من سبائك الزنك، عمود دوار، مسمار فولاذي مجلفن، لوحة ضغط.
المعالجة السطحية: رذاذ نانو رمادي فضي.
وصف الهيكل: قم بتدوير 90 درجة للفتح أو القفل.
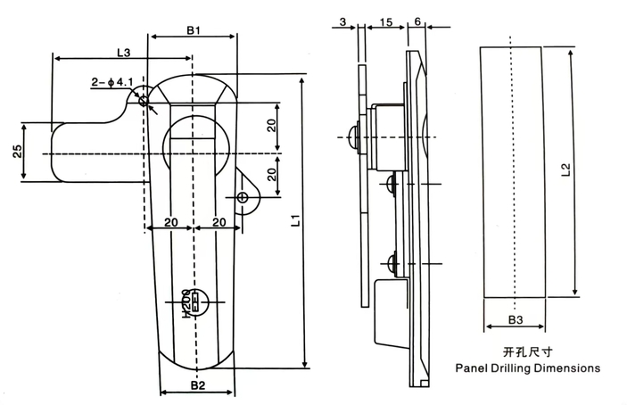
| نموذج | L1 | L2 | L3 | ب1 | ب2 | ب3 |
| جديد AB402-A | 123 | 95.5 | 65 | 36.5 | 30 | 23.5 |
| جديد AB403-A | 91 | 62.5 | 65 | 33 | 28.5 | 23.5 |
| جديد AB401-A | 151 | 117 | 72 | 36 | 30 | 26.5 |
